Carrier board 3 for CN1 APM - R0033 
The Carrier Board 3 for the Control N1 APM (R0033) is designed to be used on FPV platforms. Its universal size makes it highly adaptable across a variety of platforms, while its powerful active-component capabilities deliver strong performance in a small package.
Key Features
-
Universal Mounting Standard: Drops straight into most FPV and DIY drone frames -- this size works perfectly for a 4-in-1 ESC + Power Distribution Board stacks.
-
Easy ESC integration: The 8-pin JST allows for seamless integration with 4-in-1 ESC boards, making a cleaner build and lowering the risk of wiring mistakes (also industry standard)
-
OSD Capability: This board includes an on-board OSD for analog video transmitters to display information such as battery voltage, altitude, speed, distance, coordinates, and more.
-
5V power supply for all peripherals - no need for BEC (6s)
3D View
Use Cases
- Designed for pilots who want a highly modular, do-everything FPV platform
Installation & Setup
- Unpack the product and inspect for any visible damage.
- Align the connector/interface with the corresponding port on Control N1 (R0024).
- Secure the connection by pressing firm and equally both boards against each other.
- Power On the base product to verify successful integration.
Warning
Always refer to the safety and compatibility guidelines of Control N1 before installation.
Available Ports
- USB-C
- VBATT [pads]
- GPS1 (SG7 + I2C1)
- Serial 1 (SG1) w/Flow Control
- Serial 2 (SG2) w/Flow Control
- Serial 3 (SG3) w/Flow Control
- Serial 4 (SG4) [pads]
- Serial 6 (SG6) [pads]
- I2C2 (I2C2) [pads]
- CAN1 (CAN1) [pads]
- PWM (10x total -- 4x motors via ESC connector or pads, 6x servos via pads)
- ESC (uses PWM channels 1-4)
**All pads are labeled on the board itself.
Connector Pinouts
ESC Connector Pinout
| Pin | Signal | Description |
|---|---|---|
| 1 | VCC | Battery supply |
| 2 | GND | Ground |
| 3 | CH1 | PWM |
| 4 | CH2 | PWM |
| 5 | CH3 | PWM |
| 6 | CH4 | PWM |
| 7 | NC | Not Connected |
| 8 | NC | Not Connected |
GPS1 Connector Pinout
| Pin | Signal | Description |
|---|---|---|
| 1 | 5V | 5V input for GPS |
| 2 | S7_TX | Serial transmit from GPS |
| 3 | S7_RX | Serial receive to GPS |
| 4 | I2C_SCL | I2C clock line |
| 5 | I2C_SDA | I2C data line |
| 6 | GND | Ground |
Serial 1,2,3 w/Control Flow Connector Pinouts
| Pin | Signal | Description |
|---|---|---|
| 1 | +5V | +5V power input |
| 2 | S(1,2,3)_TX | Serial transmit (UART TX) |
| 3 | S(1,2,3)_RX | Serial receive (UART RX) |
| 4 | S(1,2,3)_CTS | Clear To Send (hardware flow control) |
| 5 | S(1,2,3)_RTS | Request To Send (hardware flow control) |
| 6 | GND | Ground |
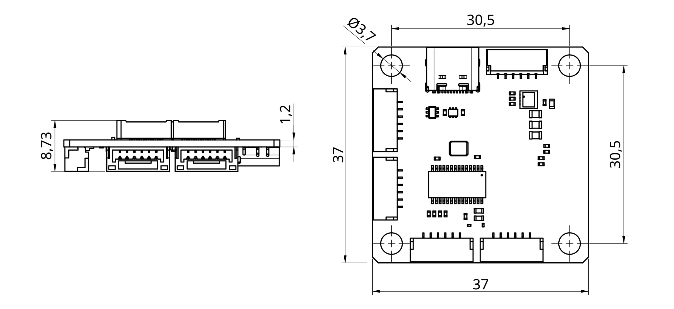
Mechanical Information
*Stack height with CN1 mounted: 10.0mm
Electrical Information
| Parameter | Specification |
|---|---|
| Operating Voltage Range | 6.4V – 36V (absolute max 40V ) |
| Peripheral Output Voltage | 5V at 600mA |
%%{init: {'theme':'dark'}}%%
flowchart LR
A(["VCC Pads"]) --> B{"Power Module
(5V, 600mA Output)"}
P(["or"]) --> B
L(["ESC Connector"]) --> B
B --> C["GPS 1"] & D["Serial"] & E["CAN 1"] & F["I2C 2"] & G["SPI"]
style P fill:transparent,stroke:transparent
linkStyle 1 stroke: transparent,fill:transparent *Do not use both, only use one of the two ways to power the board.
Maintenance
- Clean with a dry cloth; avoid moisture or abrasive materials.
- Periodically check connection points for wear or loosening.
- Store in a cool, dry place when not in use.
If you have further questions, contact us.


